Zum Hauptinhalt springen

Reis Roboter RV30-16

RV30-16

RV30-16

RV30-16

Schaltschrank RV30-16

Schild RV30-16

Technische Daten RV30-16

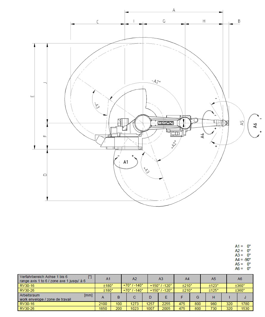
Arbeitsraum RV30-16

Der Reis RV30-16 ist ein 6-Achsen-Knickarmroboter mit einer Traglast von 16 kg und einer maximalen Reichweite von 2.100 mm. Er eignet sich ideal für Handlingsaufgaben, Schweißen, Palettieren oder Maschinenbeschickung und bietet hohe Präzision sowie Wiederholgenauigkeit. Dank seiner kompakten Bauweise und flexiblen Programmierung ist er vielseitig in der Industrie einsetzbar.

Eigenschaften:

  • Traglast: 16 kg
  • Reichweite: 2.100 mm
  • Achsen: 6
  • Anwendungen: Handling, Schweißen, Montage, Palettieren
  • Steuerung: Roboterschaltschrank RSV-IPC